解决方案
反向整流同步信号模拟电路的获取探讨
引言
在反向整流控制中,需要6个控制IGBT的同步信号,在以前的试验中,同步信号的获取是先由模拟电路对两个线电压进行调理,然后两个线电压信号再进入DSP通过AD转换为数字信号进行处理,数字信号处理中又通过锁相环或者带通滤波处理得到正弦同步信号,最后通过这两个正弦信号进行适当的逻辑处理得到6个控制IGBT的同步信号,在这种同步信号的获取中硬件电路需要有DSP或者MCU处理器来处理,涉及到这类信号处理器就要考虑其可靠性,如抗干扰方面、PCB板布局方面、芯片多管脚的焊接方面等。
针对上述情况,我们考虑是否能直接用部分模拟电路简单产生信号,然后通过CPLD进行逻辑处理得到6个同步信号,在单元控制板中,由于逆变也需要利用CPLD来处理逆变部分的信号和与主控进行通信的处理,所以CPLD是必不可少的,因此由模拟电路产生的信号通过CPLD处理也是比较直接的过程。
1、存在的问题
在模拟电路产生信号中,主要还是对线电压或者相电压过零点的获取,在过零点的获取中常用的是用运放进行过零比较。在反向整流工作中,由于电源的内阻存在,在输入电源上就存在IGBT开通或关断时产生的缺口,如图1所示:
图1、反向整流工作的电源相电压
上图为反向整流工作时的电源相电压,对此如果用线电压获取同步信号时就会存在线电压过零点的不准确,如果对线电压进行滤波处理虽然可以去掉缺口,但可能对信号产生相移,从而用线电压进行比较获取过零点并不大合适;如果用上图相电压进行过零比较来获取过零点,这样在缺口处和过零点处就出现过零点信号,由于缺口处的宽度比较窄,缺口处可以通过CPLD处理去除,然后留下比较真实的过零点,但是由于变压器到单元之间为三相三线制,不存在中线,所以需要通过三相制造一个中点,但这样这个中点的电位是不确定的,是浮动的,所以也完全可能造成过零点不准确,特别是三相出现不平衡时就比较明显,对此采用相电压进行过零比较也是不大合适。
2、解决的方法
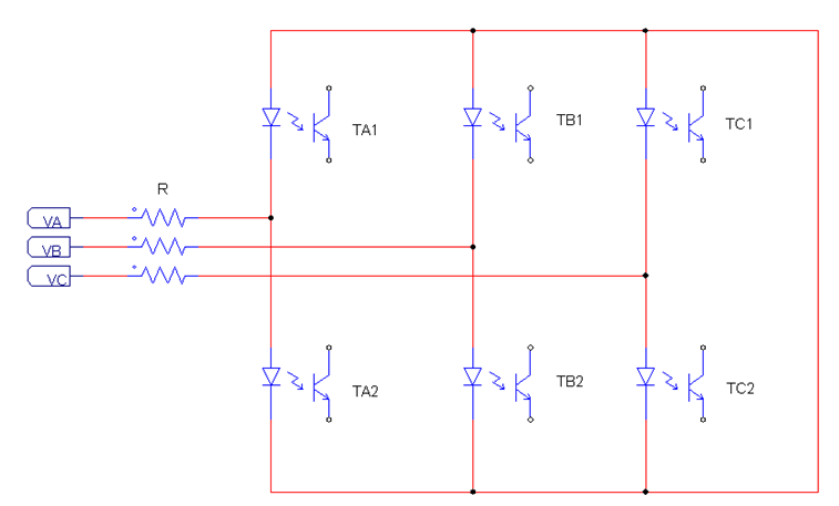
对于上述情况考虑采用光耦来获取同步信号的过零点,这样就可以不用考虑三相中点电位问题,又能够获取相电压的过零点,初步方式如图2所示:

图2、光耦获取同步信号
在这个电路中通过光耦TA、TB、TC的次级就可以获取三相的过零信号,但在反向整流工作中仍然由于电源缺口在光耦次级会有比较窄的过零脉冲,但是完全可以通过CPLD适当的处理去掉,如图3中的蓝色,没有经过CPLD处理时获取的信号:

图3、过零脉冲的获取
3、6个同步信号的产生方法
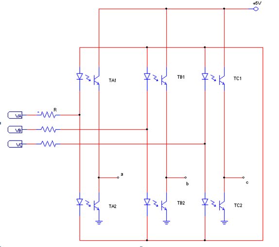
由于反向整流要求同步信号有比较高的对称波形,上面的电路中只是取到了相电压的大于零的部分,但由于光耦和二极管的压降存在,可能会使得不对称的情况产生,所以如果要正负半周对称,可以考虑使用6个光耦来产生信号,如下图:

图4、6路同步信号的获取电路
通过6个光耦就可对称地获取三相的同步信号,这6个同步信号先进行整形,然后进入CPLD进行窄脉冲的去除,在去除窄脉冲时,可以考虑利用延时的方法,延时时间选择为1.66667mS(对应50HZ时的30度),这样既去除了窄脉冲又得到了线电压的过零点信号,然后对这6个信号进行逻辑运算就可得到驱动6个IGBT的信号,完成同步信号的获取。
4、电路的优化
在考虑用普通光耦达到快速的电平翻转,可采用光耦次级进行推挽输出的方式,这样可以加速电平翻转和减小光耦产生的延时,其电路结构如下:

图5、推挽输出的电路
通过这种电路后,在光耦的次级不存在取样电阻的选择,对输出的信号a\b\c在光耦导通时由于其与电源和地之间阻抗较小,抗干扰又有进一步的提高,存在的问题是在上光耦和下光耦都没有导通工作时,信号a\b\c输出是处于不确定电平状态,在进入整形之前需要通过电阻确定电平,在CPLD内处理的过程和逻辑仍然相同。这种电路工作中相互得到的信号如下:

图6、电路的信号波形
A为a相的相电压,B为上电路结构中a输出的信号,C为信号a进行1.66667毫秒的延时滤波(图中考虑光耦次级连接方式进行了反向处理)波形,D为理想中对应的三相相电压波形(三相相序为正序情况,即B相滞后A相120度,C相滞后B相120度),从波形上不难看出,信号a进行30度的滤波延时后其上升沿正好是线电压AB的过零点(即A相与C相的交点,见上图中的D图),信号a\b\c进行同样的处理后可以进行如下逻辑处理来得到6个驱动信号:

图7、信号的逻辑处理电路
图中t1\t2对应A相,t3\t4对应B相,t5\t6对应C相,假设信号a\b\c进行滤波延时处理后的信号为A\B\C,则6个驱动信号的逻辑处理为:
t1 = A and !B t2 = !A and B
t3 = B and !C t4 = !B and C
t5
= C and !A t6 = !C and
A
这样逻辑处理后正好对应6个IGBT是进行120度工作,在实际中CPLD内还需要对输入的三个信号进行相序的辨识,上面的逻辑关系是对于正序A-B-C的关系,如果是负序(A-C-B)时,需要对逻辑关系进行适当调整,负序时只需要将用到B相的信号与C相进行交换即可。
5、注意的问题
在信号滤波延时过程中需要注意事项,由于光耦前级限流电阻不能选择太小(电阻功率受限),由于电阻值比较大,在光耦次级产生的信号a\b\c存在延时问题,电阻越大延时就越大,此时在滤波延时的时间就要小于1.66667mS,如果不减小延时时间,在回馈电流上就会产生比较大的峰值电流,通过仿真可以看到,如果R=500K时,可以用滤波延时1.2mS时,峰值电流就比较小,如果还用1.66667mS作为滤波延时时,峰值电流能达到正常电流的2倍以上。
在采用这种方法时利用电流触发光耦导通,从而可以提高抗干扰,也不需要做AD变换来进行数字处理,在单元输入缺相时,其光耦产生的信号就不是180度导通的状态,这样就可利用CPLD进行一个逻辑判断就可知道是否缺相。
6、总结
以上探讨了直接用部分模拟电路简单产生信号,然后通过CPLD进行逻辑处理得到6个同步信号,去控制反向整流电路的方法,实际应用中也可能遇到没有考虑全面的问题,需要在实际的试验中加以完善,但这毕竟是一个较好的控制策略,比数字处理电路要来的简洁、可靠,省去了抗干扰、PCB板布局、芯片多管脚的焊接等方面的困扰,应该是一个较好的方法。