解决方案
高压变频器在冶金石化行业中的应用
1. 引言
随着我国经济的快速发展,国内各类能源消耗逐渐增大,限于不可再生能源的限制,使国内各类能源供应紧张。而且我国能源浪费还比较严重,如何有效利用能源已经被国家摆在重要的战略位置。据业内专业人士估计,中国发电总量的60%以上消耗在电动机上。而中国目前电动机总装机容量已超过4亿千瓦,高压电机约占一半左右,高压电动机中近70%拖动的负载是风机、泵类、压缩机,其中一半适合调速,即有约7500万kW的高压电机处在浪费能源的运行状态。从目前高压变频器的一般使用情况来看,平均节电可达30%,在技术改造项目中,高压变频器的投入和使用,其节能效果是显而易见的。在新建项目中,高压变频器在风机、水泵类的应用也已经深入到钢铁、石油、化工各个行业,节能效果已经为大家所共识,是经济可持续发展的必然趋势。
2. 风光高压变频器的技术特点
山东JN江南体育官方网站电子科技发展有限公司研制生产变频器已有十几年的经验, 高压变频器技术已经相当成熟,并在各行各业得到广泛的应用。风光高压变频器以西门子新型IGBT作为主功率器件,采用高性能数字信号处理器DSP进行控制,精心设计的算法可以保证电机达到较优的运行性能。彩色液晶触摸屏实时监控系统运行状态,以高可靠性、易操作、高性能作为设计目标的风光高压变频调速器在激烈的市场竞争中得到用户的认可。我公司有能力有信心为客户量身订做高质量的高压变频调速系统。
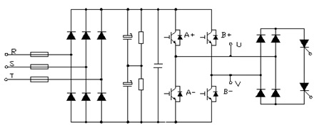
风光高压变频调速系统采用功率单元串联的结构方式,可靠性高。功率单元采用标准模块化设计,每个单元完全一样可以互换,安装维护简单方便。并且每个单元都有旁路功能,当某个单元出现故障时,控制电路控制可控硅将故障单元的输出短接,这样变频器仍能正常运行。

单元主电路图
它的输入侧采用干式移相变压器,可以实现36脉冲的整流方式,完全满足国家对电网谐波的较严格的要求。在带负载时,电网侧功率因数可达到0.95以上。在输出侧采用载波移相技术可以得到良好的正弦输出波形,输出dv/dt小,对电机及电缆的绝缘没有任何损害。利用三次谐波补偿技术提高了电源电压利用率,满足了异步电机对调速性能的需要。控制系统与功率单元采用光纤通信技术,有效解决了电磁干扰问题,并且实现了高压部分与控制系统之间的隔离,提高了整机的安全性和可靠性。

相电压输出波形
另外控制系统有一套独立于高压电源的供电体系,在不加高压的情况下,市电经过UPS输出一稳定的交流电,然后通过整流、滤波、稳压得到一个稳定的直流电压,由一个高频振荡器得到幅度稳定的高频电源,再由一系列高频变压器及相应的整流、滤波送到各单元的控制及驱动电路。实际上是开关电源技术的另类应用。控制系统电源独立,通过高频变压器给各单元控制电路、驱动电路供电,容易实现高低压电路之间及驱动电路之间的隔离。而且可以在不加高压电、不加载的情况下,可以对整机进行调试,此时各点波形与主电路加电、加载时完全一样,只是输出电压幅度小。这对设备调试、检修和操作人员的培训十分方便。

系统控制电源框图
变频器的用户操作监控系统界面十分友好和完善,采用彩色液晶触摸屏进行监控。可对变频器进行全部操作,包括参数设定、功能设定、运行操作、运行数据打印、故障查询等等。
3. 风光高压变频调速器在现场得到了很好的应用
我公司的高压变频器在钢铁冶金石化行业应用已相当广泛,如通钢、包钢、阿钢、莱钢、济钢、鞍钢、冶钢、辽河油田、胜利油田、大庆油田、齐鲁石化、巨化集团等大的工厂企业已广泛应用,下面介绍几个典型应用。
3.1 典型应用一 辽河油田6000V/1800KW注水泵的变频改造 (石油行业泵)
辽河新三联注水站投运一台型号为 DFJ200-170AX11 的注水泵,匹配电机型号为 YB1800S2-2 的 6KV/1800KW 异步电动机,采用直接驱动方式控制,离心泵流量是通过控制出口阀门的开度进行调节,造成大量节流损失 , 离心泵及电动机运行在低效率工作区,能源浪费比较严重。夏秋季节注水量相应降低,运行中离心泵实际泵压为 16.5MPa ,注水管网实际运行压力为 12.5MPa ,由于多泵注水实施并网运行,当注水管网压力升高到目前注水管网实际注水压力以上时,将造成高压注水量减少,无法满足油井注水需求,同时污水量大于注水量将造成污水外排。为此注水电机运行时必须靠调节离心泵出口高压回流阀门来控制注水管网压力,以维持联网注水平衡。这样就造成泵压与管网干压平均压差达到 4 MPa 以上,造成了大量的电能浪费。
厂家经过综合调研和考虑,选用了山东JN江南体育官方网站电子公司 JD-BP37-1800F 型号的高压变频器,通过应用,该变频器可靠性高,设计合理,变频调速器对电机具有软启动功能,启动时无冲击电流,减少了对电网的污染;安装、维护和保养都比较方便,降低了值班人员的工作强度;降耗效果明显。 现场的系统构成如图1所示。

图1 注水泵系统结构图
本系统中,一方面在泵出口管线上安装一只高可靠性压力传感器,将实测的压力信号与系统的配注压力(期望值)相比,并将其差值送往过程参数调节器( PID )进行比例和积分运算,最后将输出结果送给可编程控制器( PLC );另一方面在泵入口管线上安装一只流量计,用于监测系统实际总流量,将该值与系统配注量的差值再进行一次 PID 整定,最后将输出结果送给 PLC 。 PLC 根据所接收的两个 PID 整定信号,利用模糊推理的方法,在满足系统干压的前提下,系统及时自动调整高压变频器的输出频率从而控制变频泵的转速。由离心泵原理知,泵转速的变化可引起相应的排量变化,通过频率的变化以达到期望的排量值。通过上述闭环控制,使系统的实际压力和排量与系统的配注压力和配注量相接近。系统设计为闭环控制系统,流量和压力为系统的两个主要参数,将系统实测的流量和压力信号与地质要求的流量和压力(期望值)进行双 PID 调节;通过模糊推理的方法自动寻优控制,根据推理结果,系统及时自动调整高压变频器的输出,并自动计算出变频器的较佳运行频率。
由流体力学可知,P(功率)=Q(流量)╳ H(压力),流量Q与转速N的一次方成正比,压力H与转速N的平方成正比,功率P与转速N的立方成正比,如果水泵的效率一定,当要求调节流量下降时,转速N可成比例的下降,而此时轴输出功率P成立方关系下降。即水泵电机的耗电功率与转速近似成立方比的关系。
实际节电效果使用变频器前后的耗电情况统计见下表:

水泵电机安装变频器前后的注水单耗从6.79下降到5.38,不考虑其它方面的影响:
节电率=(安装前耗电-安装后耗电)/安装前耗电*100﹪
=(1244246-698215)/1244246*100﹪
=43.88﹪
3.2典型应用二 浙江省衢州巨化硫酸厂冷却水循环泵的变频改造 (化工行业泵)
浙江省衢州巨化硫酸厂是我国首批自己设计、制造、安装的重点硫酸生产企业,是浙江省较大的硫酸生产厂。在硫酸生产过程中,需要对水冷极板进行冷却,冷却水循环泵是硫酸生产工艺中的重要设备,过去冷却水循环泵均不调速,利用出口阀门来控制水流量和管网压力,由于设备的选择都是按最大负荷情况来选型,在实际运行中设备留有较大的裕量,冷却水的流量与压力是通过冷却水循环泵出、入口联络管上的调节阀来进行调节,造成电动机运行效率较低,造成电能浪费,为降低企业生产成本,厂家领导经过反复论证,多方比较,决定选用我公司JD-BP37-280F型高压变频器对冷却水循环泵进行变频调速节能改造,以解决能源浪费问题。用户冷却水循环泵的电动机参数为6KV/280KW异步电动机,额定转速985r/min,水泵参数为500S-35 单级双吸离心泵。冷却水循环泵工作原理如图2所示,三台循环泵两开一备。

图2 冷却水循环泵工作原理图
变频器控制3#循环泵,2#、1#循环泵一开一备。现在以冷却水母管压力为给定量,根据工艺所需母管压力调节循环泵转速,压力信号取自主管网,目标压力值设定在0.24Mpa 。
电气设备改造一次回路图如图3。

图3 电器设备一次回路图
设备改造工程于2005年1月完成,高压变频器一次试车成功,运行正常,频率运行在40Hz左右,保证了循环水的正常温度。其节电相关数据为:
工频运行数据为:
5月27日14:30 运行频率50Hz 输入电流23.8A 输入电压6KV
5月27日21:35 运行频率50Hz 输入电流26.4A 输入电压6KV
5月28日08:00 运行频率50Hz 输入电流25.2A 输入电压6KV
5月28日21:00 运行频率50Hz 输入电流24.8A 输入电压6KV
5月29日06:25 运行频率50Hz 输入电流24.1A 输入电压6KV
工频平均运行电流24.86A , 功率因数COSΦ1 =0.85
变频运行数据为:
5月27日11:00 运行频率41:55Hz 输入电流13.0A 输入电压6KV
5月27日12:00 运行频率41:55Hz 输入电流13.1A 输入电压6KV
5月27日13:00 运行频率41:55Hz 输入电流13.0A 输入电压6KV
5月27日14:00 运行频率41:55Hz 输入电流13.2A 输入电压6KV
变频平均运行电流为13.07A , 功率因数为COSΦ2 =0.98
每年节省用电:(I×COSΦ1-I×COSΦ2 )×Ua×1.732×24小时×350天=71.8万度
每年节省用电费用:每年节省用电×0.5元/度=35.9万元
变频运行时节电率达到40%。设备运行时频率达到35Hz,就可以达到工艺要求的出水压力,春冬秋三个季节设备完全可以在35Hz运行,节电率可达到50%左右,按目前41Hz运行计算,每年可以节电71万度,节省电费35.9万元。
3.3典型应用三 通化钢铁集团高炉除尘风机的变频应用
通化钢铁集团有限责任公司是吉林省省属最大的国有工业企业和唯一的大型钢铁联合企业集团。随着市场竞争的加剧,为提高产品市场占有率、竞争力,通化钢铁集团深化改革,加快一批项目建设,其中 6#750立方米高炉为新建项目之一。6#高炉吸取了以前旧高炉经验的基础上,在建设中采用了大量先进的生产工艺。高炉除尘风机的变频控制就是先进工艺的典型应用。以前旧高炉除尘风机一般是工频运行或液力偶合器控制,浪费了大量的能源。经过多方考察,比较性价比,通化钢铁集团决定选用山东JN江南体育官方网站电子科技发展有限公司生产的JD-BP38-800F(800KW/10KV)型高压变频器,通过双方技术人员的合作,共同制定了6#高炉除尘风机的变频控制方案。
高炉生产为周期性间断出铁,高炉在出铁时,产生大量棕红色烟尘,此时要求风机高速运行;在不出铁时,产生烟尘相对较少,只需要很低的转速。利用变频器根据高炉实际需要对除尘风机进行变频调速控制,既保证和改善了工艺,又达到了节能降耗的目的。出铁时,变频器高速运行,高速定为45HZ(可调);不出铁时,变频器低速运行,低速定为20Hz(可调)。用户的风机型号为 Y4-73,电机型号为 Y 560-3-8 。高炉除尘风机工艺要求曲线如图4。

图4 高炉除尘风机工艺要求曲线
a~b为风机升速时间大约1分钟(可调);
b~c为高炉出铁时间大约20分钟;
c~d为风机减速时间大约2分钟(可调);
d~e为风机低速运行阶段。
该系统生产周期大约为 1小时,出铁时间为20分钟,间隔约40分钟,系统配置电机额定电流为 59.5A ,根据其它生产线的实际运行情况电机运行电流在 55A左右。高炉出铁变频高速运行45Hz时,电流为 45A 左右,在 20Hz低速运行时,电流为15A左右。(一天中风机高速运行时间占40%,无停机时间)
P 变 =1.732×10×(45×0.98×40%+15×0.98×60%)=458KW
P 工 =1 . 732 × 10 × 55 × 0 . 86=819KW
节电率 = ( P 工 -P 变 ) / P 工 =44%
与原来旧系统相比较,变频器具有过流、短路、过压、欠压、缺相、温升保护等多项保护功能,对电机的保护更加完善。改造后的调速系统随着高炉生产除尘的需要 ,调节风机的转速,进而调节风机的风量,满足高炉生产工艺的需要,工作强度大大降低。
4.高压变频器应用前景
我国基于IGBT的功率单元串联式多电平高压变频调速技术的研究是与世界同步进行的。随着我国工业的快速发展,变频器的使用越来越广泛。风光高压变频调速器经过多年的现场应用证明,高压变频器用于风机、泵类设备驱动控制场合取得了显著的节电效果,性能稳定可靠性高。既节约了能源,又满足了生产工艺要求,并且因此而大大减少了设备维护、维修费用,直接和间接经济效益十分明显。